+36 (28) 412 371
Euro
Belépés
KAPCSOLAT
TÉRKÉP
AKCIÓS TERMÉKEK
TERMÉK KATEGÓRIÁK
+36 (28) 412 371
E-mail
Kapcsolat
Térkép
Akció %
Euro
TERMÉKEK GYORSMENÜ
EGYTENGELYES TRAKTOR
TRAKTOR
PÓTKOCSI
SZÁLLÍTÓLÁDA
EMELŐVILLA ÉS DARUKAR
ÁGAPRÍTÓ
RÉZSŰKASZA ÉS VÁGÓFEJ
HÓTOLÓLAP
MŰTRÁGYA SÓSZÓRÓ
BURGONYA TERMESZTÉS
SORKÖZMŰVELŐ GÉP
FŰKASZA FŰNYÍRÓ
QUAD-ATV
QUAD-ATV MUNKAESZKÖZ
FADARABOLÓ
SZÁRZÚZÓ KÖNNYŰ
SZÁRZÚZÓ NORMÁL
SZÁRZÚZÓ NEHÉZ
RÉZSŰ SZÁRZÚZÓ
ERDÉSZETI SZÁRZÚZÓ
TALAJMARÓ
ÁROKÁSÓ GRÉDER GÖDÖRFÚRÓ
MARKOLÓ KOTRÓ ÉS ADAPTER
EKE
KULTIVÁTOR ALTALAJLAZÍTÓ
TARGONCA RAKTÁRTECHNIKA
EMELŐASZTAL FIX ÉS MOBIL
ANYAGMOZGATÓ ESZKÖZ
ALKATRÉSZ
Kosár
Belépés
MEZŐGAZDASÁGI MUNKAGÉPEK
ERDÉSZETI MUNKAGÉPEK ÉS ADAPTEREK
TRAKTOROK
MARKOLÓK KOTRÓK ÉS ADAPTEREK
QUADOK
KOMMUNÁLIS GÉPEK ADAPTEREK
HIDRAULIKUS EMELŐASZTALOK
PÓTKOCSIK ÉS SZÁLLÍTÓLÁDÁK
QUAD MUNKAGÉPEK ÉS ADAPTEREK
TARGONCÁK
RAKTÁRI ANYAGMOZGATÓ ESZKÖZÖK
TÁROLÁS ÉS MŰHELYTECHNIKA
ALKATRÉSZEK
ALKATRÉSZ TRAKTOR ÉS MUNKAGÉP
•
Ágaprító kések
•
Csapágy és csapágyház
•
Csapszeg és rögzítőcsap
•
Csavarok és rögzítők
•
Ékszíjak
•
Ékszíjtárcsa és rögzítő
•
Eke tartozékok és kiegészítők
•
Fűnyíró kések és alkatrészek
•
Gödörfúró tartozékok
•
Hajtóművek szöghajtóművek
•
Kardántengely
•
Menetes orsó traktorhoz
•
Traktor alkatrészek és tartozékok
•
Szárzúzó alkatrészek
•
Szárzúzó kalapácsok
•
Szárzúzó kések
•
Szűrő
•
Talajmaró kések
Alkatrészek
Alkatrész traktor és munkagép
Hajtóművek szöghajtóművek
A szállítási díj megjelenítéshez küldje el postai irányítószámát!
Küldés
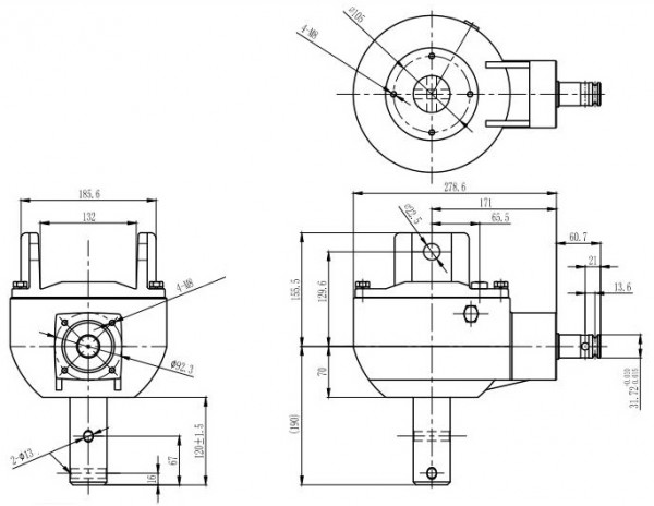
STAREX GF-GFH
Hajtómű gödörfúróhoz
Raktárról azonnal szállítható termék!
99.756 Ft+ÁFA
Kosárba
Ajánlatkérés
writing
Nyomtatás
printer
Termékkód: 6059343
Termék leírás
Az alábbi hajtóművet gödörfúró adaptereknél alkalmazzák.
Ábra méretekkel
Műszaki adatok
Gyártó :
GTM
LE :
50 LE
Fordulat :
540 f/p
Tömeg :
30,5 kg
Starex típusok :
GF, GFH
További típusok :
ZEPPELIN A50Z, AH50Z
Áttétel :
3:1
Tengelycsonk :
1-3/8 szabványos 6 bordás
Kimeneti csonk átmérője :
51 mm
Starex Pro Kft.
2100-Gödöllő, Kőrösi Csoma Sándor u. 42.
Telefon/Fax: +36 28/412 371
E-mail: info@starex.hu
Vásárlási feltételek
Adatkezelési tájékoztató
Impresszum